
Полная версия:
Студенту в помощь для выполнения курсовых и диплома

Сергей Гаврилов
Студенту в помощь для выполнения курсовых и диплома
Введение.
Книгу «Студенту в помощь» написал инженер конструктор отдела гл.механика Гаврилов Сергей Фёдорович для студентов. Книга как путеводитель по серии книг. Студенты в этой книге могут найти в какой из книг есть необходимые описания, примеры расчетов с численными примерами, расчетные формулы, необходимые для расчетов таблицы, листинги программ для быстрого и безошибочного выполнения объемных расчетов, эскизы деталей и узлов, ссылки на архивы рабочих чертежей. Некоторые разделы вполне подходят создания для дипломной работы, причем агрегаты уже выполнены в железе и успешно работают – а это серьезный аргумент при защите дипломной работы. В книге есть ссылки на рабочие расчетные программы на Python 3 и Excel – скачивай и считай.
Книга будет полезна и конструкторам – в ней много тем, которые приходится прорабатывать конструктору, обеспечивающего работу отдела главного механика или цеха.
Примечание: Все чертежи, схемы, эскизы, технические рисунки и фотографии выполнены автором книги лично.
РАСЧЕТЫ КОНСТРУКТОРУ

….
15 Августа 2023 г..
Введение.
Инженер конструктор отдела гл.механика Гаврилов Сергей Фёдорович написал эту книгу для студентов в помощь при написании курсовых и дипломных работ. А также для цеховых конструкторов -механиков, занимающихся обеспечением ремонта и модернизацией оборудования, которым приходится заниматься широким кругом проблем и расчетов в условиях дефицита времени.
В книге собраны примеры часто встречающихся, при работе конструктора, расчетов.
Расчеты выполнены с цифровыми примерами и справочными таблицами, чертежами и схемами.
Книга иллюстрирована большим количеством рисунков, облегчающим понимание материала. В конце книги приведен обширный список литературы по затронутым в книге темам.
По приведенной в книге ссылке можно скачать рабочие чертежи и листинги расчетных программ, а так-же сами расчетные программы в Excel и Python 3.4 v.
Здесь просто перечисленны темы, расчеты и справочные материалы, раскрытые в книге, чтобы получить саму книгу – необходимо в поиске Яндекса набрать: ЛитРес Гаврилов Сергей Федорович книги. Либо прямо
www.litres.ru/author/sergey-fedorovich-gavrilov/?ysclid=llbvjv8x340892920 Ссылка на магазин книг.. Книг довольно много – эта книга – путеводитель издана максимально дешевой чтобы студент или конструктор знал в какой из книг находится нужный материал и расчеты с таблицами.
Константы
Pii = 3,14159265358979324… – Число Пи..
.cosa= cos20 = 0,93969262078591 – Косинус 20 градусов
.sinaa=sin40 = 0,64278760968654 – Синус 40 градусов
.tana=tan20 = 0,3639702342662024 – Тангенс 20 градусов
.inva=0,01490438386734 – Эволюта 20 градусов
.kx=1,387048062 – Коэф. постоянной хорды для прямозубых без коррекции.
.hx=0,748 – Коэф. высоты до хорды для прямозубых без коррекции.
Примечание: Программа компиляции текста в эл.книгу иногда переносит часть формулы на другую строку.
– в конце формулы всегда стоит точка. В тексте 30 градусов – значек градуса она превращает в ноль – в тексте эл.книги получается 300 градусов – это надо учитывать. Если справочная таблица в книге очень мелкая – смотрите по ссылке в приложении.
Эвалюта угла (GR); – Угол в данный расчет берется в радианах.
Inv(GR) = tan(GR) – (GR);
Плотность материала = 7850 кг / куб.м. ( Сталь 30 ГОСТ 1050-88 ).
Расчеты веса фрагмента детали
В чертеже или расчете необходимо указать вес детали. В книге приведены формулы необходимые для этих расчетов.
Вес бруса прямоугольного в сечении.
Вес бруса круглого в сечении.
Вес трубы.
Вес бруса в сечении правильного шестигранника.
Вес бруса в сечении прямоугольного треугольника.
Вес бруса в сечении треугольника с разными сторонами.
Вес бруса в сечении трапеции.
Вес усеченного конуса.
Вес бруса в сечении в виде сегмента круга.
Вес кольца сложного сечения.
Плотность материала = 7850 кг / куб.м. ( Сталь 30 ГОСТ 1050-88 ).
Примечание:
Для пересчета веса бруса из стали на вес бруса из другого материала –
умножаем вес стального бруса на коэффициент из таблицы В-01 приведенной в книге..
Мне по работе почти каждый день приходилось расчитывать веса деталей, поэтому я написал программу, которая помогает рассчитывать вес детали.
disk.yandex.ru/client/recent Ссылка на Яндекс Диск с моими книгами и программами..
disk.yandex.ru/d/GQ6vS2HlOptJ7Q Ссылка на книгу к программе Вес на Python 3.4 v..
disk.yandex.ru/d/fOkYYeVQxibvjA Ссылка программу Вес на Python 3.4 v.. в виде исходных файлов.
Как скачивать по ссылке:
В браузере, в адресной строке удалить адрес, который там стоял и вставить скопированный адрес ссылки.
Щелкнуть по ссылке – подтвердить «Посетить ». На странице Яндекс диска нажать «Скачать» «Сохранить».
Затем – Показать ход загрузки. Браузер пишет «Обычно такие файлы не скачиваем». Щелкаем правой клавишей мыши – командуем «Разрешить загрузку». Файл загружается в стандартную папку «Загрузки».
Для контроля проверить размер файла и CRC32.. Затем распаковать в свою папку.
Расчет CRC32 по программе HashTab_v6.0.0.34 hashtab.ru/…
Расчеты геометрии
Конечно, многое из приведенных расчетов известно, но всего не упомнишь, и эта информация поможет вспомнить. Приведены численные примеры, это поможет найти ошибки в расчетах.
Отрезок на плоскости при заданных координатах концов отрезка. Находим длину отрезка и углы наклона отрезка к осям плоскости.
Отрезок в пространстве. Находим длину отрезка и углы наклона отрезка к осям плоскостей.
Расчет линейной интерполяции. Имеем таблицу с расчетными коэффициентами. Нужно найти значение коэффициента в промежутке между известными значениями.
Расчет центра масс системы из нескольких тел.
Расчет геометрии многогранника – по основному параметру находим все остальные параметры многогранника.
Расчет геометрии коробовой кривой ( овала ).
Коробовая кривая – этой кривой можно с достаточной точностью заменить овальную кривую. К примеру с помощью программы расчета геометрии коробовой кривой можно рассчитать геометрические размеры обжатого уплотнительного круглого резинового кольца.
Геометрия радиусной кривой. Эти расчеты часто используются при нахождении элементов детали, имеющие вид части окружности.
Координаты радиусной кривой. Расчет координат методом подъема. Построение части окружности методом подъема применяется тогда, когда радиус слишком велик
для традиционного построения, либо когда точка центра радиуса недоступна. Либо когда часть окружности заполнена, к примеру стоит здание, и нет доступа для построения.
Построение части окружности методом подъема.
Расчет геометрии треугольника. – по известным параметрам находим все остальные параметры треугольника.
Параметры сечений
Расчеты деталей на прочность, жесткость, устойчивость невозможны без знания параметров сечения детали. Далее показываются расчеты параметров сечения как : площадь сечения, момент сопротивления сечения, момент инерции сечения, радиус инерции сечения.
Расчет параметров сечения круга.
Сечение – Круг:
Сечение – трубное.
Расчет параметров сечения прямоугольника.
Сечение – Прямоугольник.
Сечение – Прямоугольная труба.
Сечение – Треугольник.
Сечение – Тавр.
Расчет параметров сечения рельса.
Расчет параметров сечения трапеции.
Расчет параметров сечения шестигранника.
Расчет параметров произвольного сечения.
Любое сечение можно представить в виде набора прямоугольников, расчитав параметры сечения этих прямоугольников затем объединить их в целую фигуру, расчитав нужные параметры объединенной фигуры (произвольного сечения). Этот расчет часто применяется при расчете составных балок и при расчете прочности сварочных швов конструкции.
В этой публикации подробные описания, таблицы для расчетов, формулы, листинги программ и контрольные цифровые расчеты удалены. Оставлены заголовки расчетов для того, чтобы студент мог определиться в какой книге есть необходимый ему расчет. Для получения кнги с полной информацией скачивайте книгу с портала ЛитРес – там есть все, что необходимо для расчетов. Добавочную информацию, чертежи и таблицы скачивайте по ссылкам с «Яндекс Диска». Ссылки в этой книге и в книгах с ЛитРес.
……..
Ссылки на книги в издательстве ЛитРес. Наберите в поисковой строке Яндекса:
ЛитРес Гаврилов Сергей Федорович книги. И получите список опубликованных книг.
www.litres.ru/author/sergey-fedorovich-gavrilov/?ysclid=llafahtc71621036338
Кстати все вышеизложенные расчеты эффективнее выполнять, используя программы.
Программы можно скопировать из книги «Python 3 Полезные программы книга третья».
disk.yandex.ru/d/8hYks4yZERGpoQ Ссылка программу Geom на Python 3.4 v.. в виде исходных файлов.

Программы значительно экономят время и уменьшают вероятность ошибок в расчетах..
Программы можно выполнить так же в Excel. Смотри книгу Расчеты в Excel.
Разные расчеты элементов деталей машин

Смотри по оглавлению книги «Расчеты конструктору»
Расчет параметров профиля звездочки по ГОСТ 591-69.

Чертеж приведен для примера. Важно добавить в тех.условиях « Профиль зуба проверить наложением цепи. ».
Прорисовку профиля зуба с размерами профиля на чертеже делают только по требованию цеха – изготовителя. Обычно достаточно указать «профиль звездочки по ГОСТ 591-69. » и ГОСТ и марку цепи.
Ссылка Studenty.zip : disk.yandex.ru/d/orKSVHysYSMK0Q
Studenty.zip : CRC 32 = 77d05e10… Объем -= 77,916,434....
……..
Ссылка Студенту.zip : disk.yandex.ru/d/Rbo3M49TP3xMdg
Студенту.zip: CRC 32 = E76A2853… Объем -= 152458350…
…..
Расчет пружины сжатия.
Такие пружины часто применяются в различных механизмах.

…
Кольцевая пружина.


Применяется в буферных устройствах для гашения ударов и вибраций.
А так же кольцевая пружина применяется для предохранения анкерных шпилек от перегрузок,
Расчет кольцевой пружины, выбор материала, деформация под нагрузкой.
Такие пружины встречаются реже, расчет довольно интересен и может украсить дипломную работу.
Расчет конусной муфты.

Расчет межцентрового ременной передачи.
Позволяет произвести подборочный расчет исходя из заданного типа ремня и заданного передаточного отношения передачи. Есть необходимые таблицы.
Таблица размеров канавок клиновых ремней Ссылка:
Ссылка Studenty.zip : disk.yandex.ru/d/orKSVHysYSMK0Q
Studenty.zip : CRC 32 = 77d05e10… Объем -= 77,916,434....
……..
Ссылка Студенту.zip : disk.yandex.ru/d/Rbo3M49TP3xMdg
Студенту.zip: CRC 32 = E76A2853… Объем -= 152458350…
…..
Таблица Rm-02. Примечание: В таблице размер « b » показывает расположение нейтрального слоя ремня относительно наружного диаметра шкива..
Передача Винт – Гайка.
Этот расчет имеет очень широкое применение. Винтовые передачи, домкраты, крепеж.
Ссылка Studenty.zip : disk.yandex.ru/d/orKSVHysYSMK0Q
Studenty.zip : CRC 32 = 77d05e10… Объем -= 77,916,434....
……..
Ссылка Студенту.zip : disk.yandex.ru/d/Rbo3M49TP3xMdg
Студенту.zip: CRC 32 = E76A2853… Объем -= 152458350…
…..
Напряжения плоского кривого бруса при изгибе.
Применяется при расчете грузоподъемных крюков, колец, серег. Расчет в книге выполнен максимально понятным и иллюстрированным.
Овальное звено типа ОВ1-10.

Применяется при расчете нестандартных строп. Даны примеры расчетов и чертежей.
Расчет серьги.

Применяется при расчете нестандартных строп. Даны примеры расчетов и чертежей.
Расчет клещевого захвата.
Клещевой захват применяется довольно часто, но в литературе расчет не освещается.
В данной книге расчет захвата геометрический и прочностной показан подробно и приведены чертежи захвата (клещи грузоподъемные).

Ссылка Studenty.zip : disk.yandex.ru/d/orKSVHysYSMK0Q
Studenty.zip : CRC 32 = 77d05e10… Объем -= 77,916,434....
Чертежи верстака, коробки под поковки, манжетница (пуансон – матрица) под резину, гидравлический пресс, стеллаж, стропа..
……..
Ссылка Студенту.zip : disk.yandex.ru/d/Rbo3M49TP3xMdg
Чертежи газовой горелки, детали станка, клещи грузоподъемные, лебедка печных заслонок, площадка осмотра полувагонов, пресс винтовой 200 тонн.
…..
Расчет трубной заглушки.
На производстве потребовалось выполнить гидравлические испытания водоохлаждаемых панелей сваренных из медных труб, без приварки к панелям каких либо деталей.
Заглушка используется для опрессовки трубной системы при проверке прочности и герметичности системы.
Заглушка вставляется во внутрь трубы панели. Затем затягивая гайку натяжную – сдавливаем резиновую втулку, втулка раздается по диаметру. Сила трения между резиной и трубой удерживает заглушку от выдавливания ее из трубы испытательным давлением и обеспечивает герметичность при испытании.
Приведен проверочный расчет разработанной конструкции.
Расчет круглой стальной крышки и цилиндра.
Расчет встречается довольно часто при разработке гидравлики.
Прямоугольная пластина.
Это целый класс расчетов в сопромате, в книгу вставлены самые востребованые расчеты.
Применяется при расчете баков, кессонов, коробок.
Пластина свободно опертая по контуру, нагруженная равномерно
распределенным давлением.
Пластина, защемленная по контуру нагруженная давлением..
Круглая крышка нагруженная давлением, как и крышка цилиндра ( другой вариант ).
Расчеты дисков.
Барабан – это расчет цилиндра под давлением ( другой вариант ).
Плоское днище. Плоская стенка.
Плоская стенка под давлением. Стенка укреплена анкерами
Цилиндр толстостенный. это расчет цилиндра под давлением ( другой вариант ).
Усилие для обжатия прокладки.
В проектировании гидравлики требуется часто.
Расчет приточной вентиляции

1 – Приточная шахта по таблице тип № 6 ( по таблице )..
2 – Калорифер.
3 – Вентилятор.
4 – Распределитель воздуха.
5 – Отводы Ro = 325 мм. D = 325 мм.
6 – Конфузор и Диффузор к калориферу.
7 – Диффузор входа в вентилятор.
8 – Конфузор выхода из вентилятора.
9 – Диффузор входа в распределитель.
10 – Холодная труба Ф 325 мм L 12 метров.
11 – Горячая труба Ф 325 мм L 9 метров.
12 – Мягкая вставка.
Производится расчет мощности необходимой на нагрев воздуха и на перемещение воздуха по воздухопроводам и элементам воздушной сети.
Воздух греем калорифером. Производится расчет сопротивления калорифера проходу воздуха и воды.
Приведены все необходимые таблицы и коэффициенты, а так же расчетные формулы..
Производится выбор вентилятора и даются сведения по ремонту вентиляторов.

Уравнение Бернулли.

Уравнение Бернулли – одно из основополагающих уравнений гидравлики течения жидкостей и газов.
Формула справедлива как для ламинарного, так и для турбулентного режимов течения.
….….
При температуре воздуха 20 градусов Цельсия.
При давлении 760 мм.рт.столба. При плотности воздуха 1,2 кг / куб.м.
……
Перевод: 1кгс = 9,81 Н.. 1 кгс/кв.метр = 9,81 Па…
,,,,,
Вентиляция на естественной тяге
Приведен расчет, даны таблицы и необходимые коэффициенты и расчетные формулы. Для примера выполнен численный расчет.
Примечание: 1мм вод.столба = 1кгс/кв.метр = 9,81Н/кв.метр = 9,81Па.
Выход трубы в большой бак под уровень жидкости: Es = 1…
Тепловая завеса ворот цеха.

,,,,,,,,,,,,

,,,,,,,,,,,
Эскизы выполнены с действующей тепловой завесы ворот, даны все необходимые размеры. Дана схема питания тепловой завесы природным газом с характеристиками всех элементов газовой схемы.

Тепловая завеса ворот: давление газа = 0,35 кг/кв.см.
Электроконтактный манометр срабатывание при давлении ниже 0,2 кг/кв.см.
Прибор контроля пламени срабатывание при отрыве и погасании факела горелок.
Вентиль соленоидный ( эл.клапан ) срабатывание при остановке вентилятора, при падении давления газа
и отрыве и погасании факела горелок.
Световая и звуковая сигнализация срабатывает при закрытии эл.клапана.
,,,,,,,,,,
Шестерни
Шестерни очень широко распространены в конструкциях станков, механизмах, машинах, они применяются в самолетах, танках и ракетах, вобщем почти везде.
В книге « Расчеты конструктору » подробно приведены расчеты, формулы, таблицы для геометрических расчетов шестерен. Выполнены контрольные численные примеры расчетов.
Отсутствуют только расчеты конических косозубых и конических со спиральным зубом шестерен потому, что замеры их параметров и изготовление по чертежам на обычном заводе невозможно. Необходимо специальное оборудование.
disk.yandex.ru/d/vRPqjS1T8hEAJg Шестерни – добавочные материалы.
Далее перечислены расчеты шестерен освещенные в этой книге:
Профиль зуба шестерни.
Прямозубая шестерня без смещения образующего контура.
Прямозубая шестерня со смещением контура.
Косозубая передача по межцентровому растоянию.
Gsf = 461030/2725231222…
Косозубая передача по межцентровому растоянию коррегированная.
Коническая прямозубая передача без смещения контура.
Расчет геометрии передачи. Алгоритм замеров и расчета.

disk.yandex.ru/d/vRPqjS1T8hEAJg Ссылка на добавочные материалы по шестерням.
Червячная передача
Червячная передача имеет угол перекрещивания обычно 90º, но встречаются передачи и с другими углами перекрещивания.
Например: в современном большом строгальном станке стол приводится в движение червячной передачей под углом оси червяка к оси стола примерно сорок градусов.
Расчет усилия, создаваемого дисбалансом
Специально создаваемые дисбалансы производят вибрацию в вибраторах для выгрузки руды, угля и других сыпучих грузов. Вредные дисбалансы трясут вентиляторы, дымососы, шпинделя станков и ротора электромоторов и турбин.
В книге рассмотрены расчеты усилий дисбаланса и практическое измерение динамических усилий от дисбаланса и как уменьшить эти усилия. Приведены численные примеры расчетов.
Ветровая нагрузка
Ветровая нагрузка – давление потока воздуха, движущегося с определенной скоростью на какой то элемент конструкции. В книге приведены расчетные формулы, таблицы и выполнен для примера числовой расчет рекламного щита подверженного ветровой нагрузке.
disk.yandex.ru/i/ZuMWtex4dxJAHA Ссылка на расчеты ветровых нагрузок и дерева.
А также расчет фундамента армированного сталью на изгибающий момент.
Расчет деревянного трапа
В книге показан расчет деревянного трапа и даны таблицы для расчета деревянных конструкций и крепление дерева гвоздями. Gsf = 461030/2725231222…

………….
Фундаментные болты (анкера) и бетон
Марки бетона, класс бетона, допустимые нагрузки, где применяется.
Основные типы анкерных ( фундаментных ) болтов и область их применения.
Расчет болтов: Нагрузки, действующие на болты, статические и динамические.
Все болты должны быть затянуты на величину предварительной затяжки – расчет усилия затяжки.
Момент затяжки болта.
Величина, глубина заделки в фундамент.
Состав цементно-песчаной смеси. Определение весовых доз составляющих смеси: для заделки анкера в скважину.
Расчеты разверток
Построение развертки методом триангуляции.
Расчет развертки переходника: Круг – Овал.
Расчет развертки наклонного сечения трубы.
Расчет развертки врезания трубы в трубу.

Развертка трубы, входящей в основную трубу под углом

Развертка усеченного конуса из толстого листа

…
Развертка конуса срезанного наклонной плоскостью

Врезаем трубу в конус
В конус, параллельно оси конуса, врезана труба.

В боковину конуса входит труба с осью перпендикулярной оси конуса.
Обе оси лежат в одной плоскости.

Гидроцилиндры
…
Плунжерный гидроцилиндр
Большие по размерам цилиндры на давление до 400 кгс/кв.см.
Размеры плунжера, набивочных и манжетных уплотнений, материалы уплотнений.
Размеры зранд букс и опорных буртов цилиндров. Коэф.трения разных набивок.
Сила трения набивки об шток
Фланец с воротником

Свободный фланец
Приращение объема цилиндра за счет увеличения его диаметра от внутреннего давления:
Работа по сжатию жидкости в трубе ( цилиндре ):
Работа по сжатию воздуха ( процесс адиабатический ) :
.
В среднем распределение запасенной потенциальной энергия пресса.
Пример расчета цилиндра:
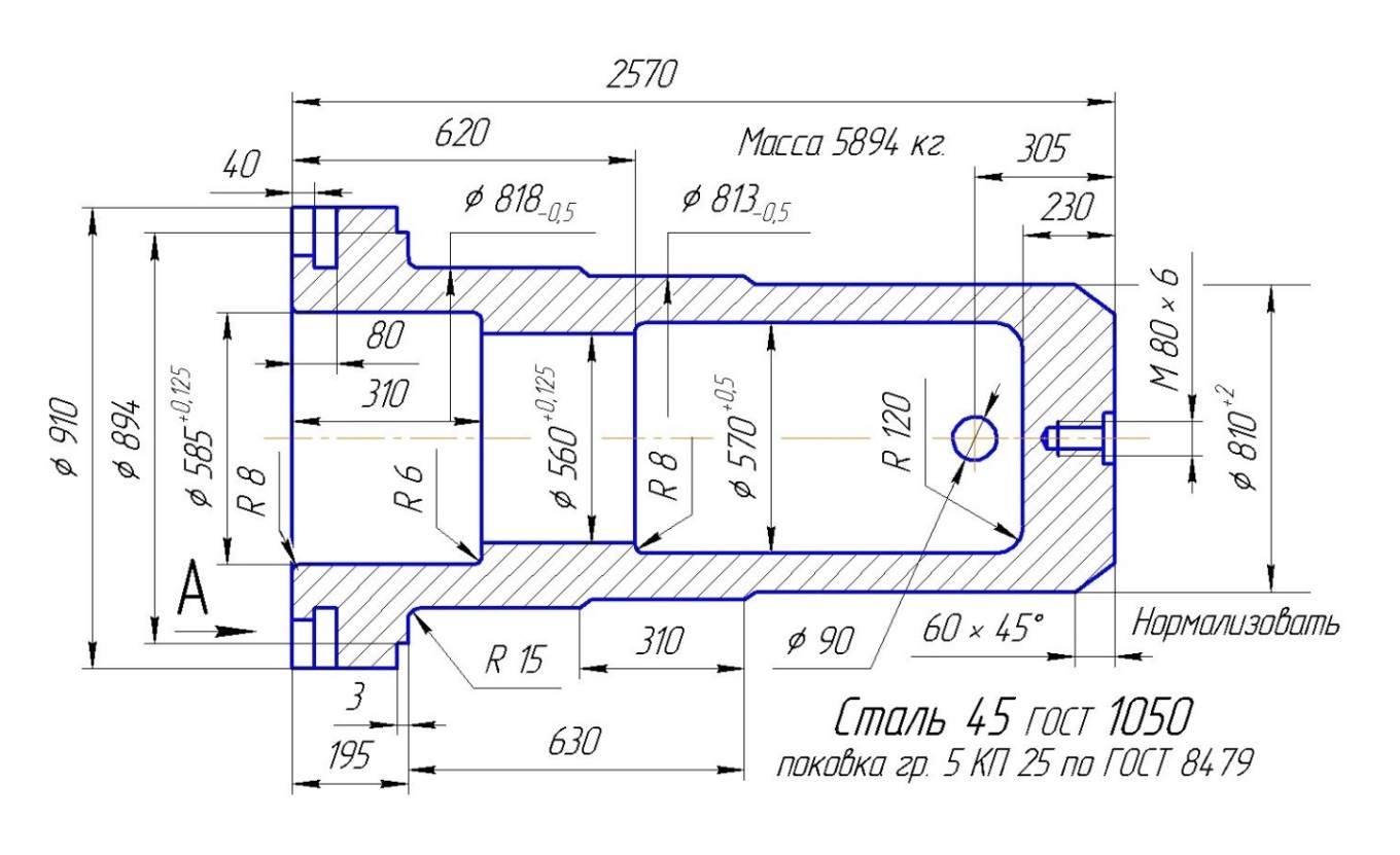
Главный цилиндр пресса
Материал цилиндра, чертеж, расчет на прочность.


Чертежи плунжера, деталей амбаража, манжеты.
Проверочный расчет цилиндра
…
Пневмоцилиндр
Чертеж пневмоцилиндра разработан и работает на действующем оборудовании.
Чертеж приведен для справки.

Гидроцилиндр
Чертеж гидроцилиндра разработан и работает на действующем оборудовании.
Цилиндр работает внутри цеха, пыли и грязи в цехе нет. Конструкция цилиндра выполнена
с минимальным количеством деталей.
Чертеж приведен для справки. Хотя внешне они похожи – разница в подводе масла в цилиндр.
Рабочее давление цилиндра 63 кгс/кв.см. Выдвигающее усилие 4008 кгс.
Крышки цилиндра крепят четыре шпильки. На одну шпильку приходится 1002 кгс. Шпильки прочны.
Свободная длина выдвинутого штока L = 650 мм. Смотрим предыдущий расчет – гибкость штока
Будет такая же G = 120.. Напряжение сжатия Всж= F/(S*ky).. Всж= 4008/(1963,5*0,37)..
Всж= 5,52 кгс/кв.мм… Напряжение невелико. Шток прочен.
Штоки цилиндров с поршнем обычно уплотняются круглыми резиновыми кольцами, однако анализ величин возможных утечек через этот узел, показал, что в данном случае это излишнее усложнение конструкции .
Остальные детали выполнены по конструктивно-технологическим размерам и заведомо прочны.



