
Полная версия:
Гидропривод токарного станка

Сергей Гаврилов
Гидропривод токарного станка
19-Апр-2021 г…
Введение
Инженер конструктор отдела гл.механика Гаврилов Сергей Фёдорович написал эту книгу для конструкторов и студентов механиков. Данная книга приводит подробное описание гидропривода токарного станка, содержит рабочие чертежи узлов и деталей гидропривода. Данный гидропривод автор спроектировал полностью сам. Приведены ссылки, по которым можно скачать рабочие чертежи гидропривода, не вошедшие в книгу
и добавочную информацию.
Описанный гидропривод интересен тем, что может быть применен практически на любом станке с описанным циклом работы, без изменения чертежей основных деталей. Как автор разработки, я не возражаю против заимствования и копирования. Гидропривод запущен в работу в 2018 году. Наиболее сложное – это разработка силовой гидроплиты. Чертежи гидроплиты приведены полностью с подробными пояснениями. Гидропривод, в отличие от механического привода, более универсален и легко может быть установлен на разные типы станков. Использование, проверенных эксплуатацией, конструкторских решений позволит избежать явных и скрытых ошибок.
Приведен обширный перечень литературы по затронутым в книге вопросам.
История разработки:
В 1985 году мной был разработан гидропривод специального операционного токарного станка на базе покупной украинской гидропанели УН 7426-02.
Причиной разработки был износ оригинальной, встроенной в станину станка гидропанели. Встроенная гидропанель была очень неудобна в ремонте. Чтобы до нее добраться, надо было сливать все масло из встроенного в станину гидробака. Решили: Отверстие в станине под гидропанель заглушить крышкой. Применить покупную гидропанель УН 7426-02. Установив ее над гидробаком с правого торца станины.
После модернизации станок успешно работал в составе технологической линии.
Гидросхема станка:
на гидропанели УН 7426-02..
,,,

,,,
В 2017 году гидропанель работать отказалась. Ремонтный участок завода заменил гидропанель на вновь купленную – то же отказ в работе. Добавочно технологи потребовали усложнить цикл работы станка. В итоге мне поставили задачу разобраться со станком. В помощь выделили опытного слесаря механика Андрея ( отчество, извините, забыл ).
Гидропанель УН 7426-02.
,,,

,,,
Как видим из фотографии – гидропанель состоит из двух крупных блоков и пристыкованных к ним гидроэлементов.
Мы с Андреем перебрали новую гидропанель полностью, проследили проходы всех сверлений, что смогли. Продули сжатым воздухом, пролили керосином. Вроде все нормально – но не работает. Параллельно разбирали старую панель и так же проливали и продували, для сравнения. Сравнивали размеры золотников. Сделали вывод: Либо где то отвернулась технологическая пробка внутри панели ( в старой ) и забыли поставить в новой гидропанели, в документации никаких указаний нет. Либо в новой панели где то сверления вышли во внутренний пузырь в литье, что нарушило всю гидросхему. Заказывать еще одну новую гидропанель – при нынешних отношениях с Украиной – если и пришлют, то тоже наверное, будет бракованной. Доложили руководству о результатах работы, и я предложил разработать гидропанель на покупных элементах. Основу гидропанели изготовить в механическом цехе завода. Аргументировал тем, что по моим чертежам подобные гидропанели уже изготавливались и успешно работают. Через некоторое время получил добро на разработку. Первым делом связался с технологами и составил с их слов черновик требуемого цикла работы станка. Цикл работы станка оформил официально и утвердил начальством. Бумага очень важная. По опыту знаю, сегодня у них одни мысли, через пару месяцев все уже может поменяться. Подписанный цикл работы станка дает гарантию, что тебе не скажут – что ты не так нас понял – переделай.
Описание работы станка.
,,,,

,,,,
Получив подписанную циклограмму работы – приступаем к разработке гидросхемы станка. На продольном суппорте станка имеется поперечный суппорт. Поперечный суппорт перемещается от крайнего верхнего положения до верхнего упора до крайнего нижнего положения – нижнего упора с помощью гидроцилиндра под управлением гидрораспределителя Y7. При выключенном Y7 в рабочем положении находится и режет черновой резец на подаче № 1. При включенном Y7 и Y6 в рабочем положении находится и режет чистовой резец на подаче № 2.
Быстрый подвод, рабочая подача, выстой на упоре, быстрый отвод одинаковы как для первого, так и для второго прохода.
При разработке гидросхемы учитываем доступные покупные гидроэлементы.
Разработанную гидросхему обязательно утверждаем руководством.
Разработанная гидросхема.
,,,

,,,
Утверждаем руководством технические характеристики станка с данной гидросхемой, это тоже очень важный этап разработки. Все эти документы имеют надписи: Согласовано:
Должность, подпись, расшифровка фамилии, дата..
Техническая характеристика.
,,,,

,,,,
Пояснительная записка.
Для проектирования гидропанели станка необходимы следующие аппараты:

Примечание: Насос НП / НБХ после проверки можно использовать существующий.
Гидрораспределитель Р-1: имеет подвод давления к золотнику – пилоту изолированный
от подвода давления к силовому золотнику и выполнен от насоса подач. Слив с золотника – пилота
объединен со сливом с силового золотника. Эл.магниты золотника – пилота на 110..
вольт переменного тока.
Гидрораспределитель Р-2: имеет подвод давления к золотнику – пилоту объединенный с подводом давления к силовому золотникуот насоса подач. Слив с золотника – пилота
объединен со сливом с силового золотника. Эл.магниты золотника – пилота на 110..
вольт переменного тока.
Клапан управляемый КУ имеет изолированные от силовых линий – отдельные линии:
Линию подачи давления на управляющий поршень и линию дренажа штоковой полости
управляющего поршня.
Фильтра установить на правом торце станины по месту.
Конструктор..Гаврилов С.Ф.
,,,,
Описание работы гидросхемы.
18-03-2018 г..
Описание работы гидросхемы № 711_011_ОП..
Стоп в исходном отведенном от шпинделя положении на жестком упоре.
Включен соленоид Y2. Отключены соленоиды Y3,Y4.
Масло от насоса подач НП производительностью Q = 5 Литр / мин. поступает
на золотник пилот Р-1. При включенном Y2 масло поступает под правый торец
силового золотника Р-1. смещая его до упора влево, при этом поток масла от насоса быстрых ходов НБХ производительностью Q = 50 ..70 Литр / мин. проходит ( по диагональной стрелке ) из отв. Р в отв. А и напрямую на слив в бак.
Давление насоса быстрых ходов НБХ падает до 1… 3 кгс / кв.см. Разгрузка НБХ.
Обратный клапан КО при этом закрывается, отсекая насос НБХ от остальной
гидросхемы.
Р-2 находится в нейтрали. Все гидролинии заперты. Поршень гидроцилиндра
cтоит на одном месте ( на крайнем заднем конечнике ).
………
Быстрый подвод к шпинделю до срабатывания конечного выключателя.
Включены соленоиды Y1,Y3 и Y5 .
Масло от насоса подач НП поступает на золотник пилот Р-1. При включенном Y1 масло поступает под левый торец силового золотника Р-1. смещая его до упора вправо, при этом поток масла от насоса быстрых ходов НБХ проходит из отв. Р в отв. В и далее к отв. А обратного клапана КО – открывает его. Поток масла насоса НБХ вливается в поток масла насоса НП. Далее потоки действуют совместно.
Масло от насоса подач НП при включенном Y3 поступает под левый торец силового золотника Р-2. смещая его до упора вправо. При этом поток масла от насоса НП поступает из отв. Р в отв. В – далее в штоковую полость ШП гидроцилиндра.
………..
Параллельно масло от насоса подач НП поступает к отв. Р гидрораспределителя Р-3. При включенном Y5 масло через отв. В гидрораспределителя Р-3
Поступает к отв. Рх гидрозамка КУ . Управляющий поршень КУ идет вверх принудительно открывая клапан гидрозамка КУ. Из бесштоковой полости БШП гидроцилиндра масло, без сопротивления, выдавливается через открытый гидрозамок КУ , далее через силовой золотник Р-2 отв. А – Т на слив в бак.
Поршень гидроцилиндра быстро перемещается к шпинделю ( Быстрый подвод ).
Быстрый подвод происходит до срабатывания конечного выключателя.
………
Рабочая подача ( рабочий ход ) Включены соленоиды Y2, Y3.
Масло от насоса подач НП поступает на золотник пилот Р-1. При включенном Y2 масло поступает под правый торец силового золотника Р-1. смещая его
до упора влево, при этом поток масла от насоса быстрых ходов НБХ
( по диагональной стрелке ) из отв. Р в отв. А – и напрямую на слив в бак.
Давление насоса быстрых ходов НБХ падает до 1… 3 кгс / кв.см. Разгрузка НБХ.
Обратный клапан КО при этом закрывается отсекая насос НБХ от остальной
гидросхемы.
……….
Масло от насоса подач НП при включенном Y3 поступает под левый торец силового золотника Р-2. смещая его до упора вправо. При этом поток масла от насоса НП поступает из отв. Р в отв. В и далее к штоковой полости ШП гидроцилиндра.
При отключенном Y5 масло из Отв. Рх гидрозамка КУ через отв. В и Т гидрораспределителя Р-3 ( по диагональной стрелке ) сливается в бак.
Поршень управления гидрозамка , под действием пружин, идет вниз закрывая клапан гидрозамка КУ. Масло бесштоковой полости БШП через закрытый гидрозамок пройти не может. Из бесштоковой полости БШП масло выдавливается через гидрораспределитель Р-4. затем через регулятор расхода Др-1 или Др-2
в бак. Осуществляется регулируемая рабочая подача суппорта.
Выбор той или другой подачи производится включением или отключением Y6.
Рабочий ход происходит до срабатывания конечного выключателя.
………
Выстой на жестком упоре: с точки зрения срабатывания гидроэлементов полностью повторяет рабочую подачу. Поэтому не описывается.
………
Быстрый отвод от шпинделя:
Включены соленоиды Y1, Y4 .
Масло от насоса подач НП поступает на золотник пилот Р-1. При включенном Y1 масло поступает под левый торец силового золотника Р-1. смещая его до упора вправо, при этом поток масла от насоса быстрых ходов НБХ проходит из отв. Р в отв. В – и далее к отв. А обратного клапана КО – открывает его. Поток масла насоса НБХ вливается в поток масла насоса НП. Далее потоки действуют совместно.
……….
Масло от насоса подач НП при включенном Y4 поступает под правый торец силового золотника Р-2. смещая его до упора влево. При этом поток масла от насоса НП поступает ( по диагональной стрелке ) из отв. Р в отв. А к гидрозамку КУ под клапан – открывает гидрозамок и поступает в бесштоковую полость БШП гидроцилиндра – перемещая поршень гидроцилиндра быстро вправо. Штоковая полость ШП гидроцилиндра при этом соединяется с отв. В силового золотника
Р-2. далее ( по диагональной стрелке ) с отв. Т и со сливом в бак.
Происходит быстрый отвод суппорта до срабатывания конечного выключателя.
………
Стоп в исходном: Отключены соленоиды Y3, Y4. При включенном Y2 масло поступает под правый торец силового золотника Р-1. смещая его до упора влево, при этом поток масла от насоса быстрых ходов НБХ ( по диагональной стрелке ) из отв. Р в отв. А – и, без сопротивления напрямую сливается в бак.
Давление насоса быстрых ходов НБХ падает до 1… 3 кгс / кв.см. Разгрузка НБХ.
Обратный клапан КО при этом закрывается отсекая насос НБХ от остальной
гидросхемы.
При отключенных соленоидах Y3, Y4. – обе полости гидроцилиндра заперты.
Продольный суппорт неподвижен. Масло насоса НП сливается в бак через
предохранительный клапан пасоса подач – КП-2.
Второй проход на чистовой подаче делается при включенных Y6 и Y7 – остальное в гидравлике повторяет первый проход. ….
Настройка предохранительных клапанов.
1… Регулировочные винты обоих предохранительных клапанов вывернуть
настроив на минимальное давление.
2… Включаем гидронасоc НП и НБХ ( в одном корпусе два насоса ).
3… Настраиваем предохранительный клапан КП-2 насоса подач
на давление 20 кгс / кв.см.
4… Включаем эл.магниты Y1; Y3; Y5.. ( Быстрый подвод )..
– продольный суппорт медленно пошел к шпинделю от потока масла
насоса НП..
– Винтом предохранительного клапана КП-1 насоса быстрых ходов –
повышаем давление масла насоса быстрых ходов до момента,
когда суппорт пойдет значительно быстрей ( раза в четыре ),
– фиксируем настройку контрогайкой винта клапана КП-1.
Суппорт дошел до регулируемого упора у шпинделя. Давление масла
возросло, винтом предохранительного клапана КП-1 насоса быстрых
ходов настроим давление 20 кгс / кв.см. и законтрим винт настройки.
5… Отключив все эл.магниты – настраиваем предохранительный клапан
КП-2 насоса подач на давление 40 кгс / кв.см.
– фиксируем настройку контрогайкой винта клапана КП-2.
Настройка предохранительных клапанов закончена.
Gsf = 461030/2725231222…|
Конструктор..Гаврилов С.Ф.
,,,
##
Таблицы и чертежи в книге бывают мелкими и плохо читаются.
Для устранения этого недостатка большие таблицы, рисунки и чертежи будут храниться на Яндекс диске, а в тексте книги будет приведено имя ( название ) и ссылка на файл.
Чтобы открыть файл по публичной ссылке, пользователям не обязательно иметь аккаунт на Яндекс Диске – достаточно доступа в интернет..
Читатели по ссылке на Яндексе могут просмотреть файл или скачать его на свой компьютер.
Для этого Ссылку копируют в адресную ( самую верхнюю ) строку браузера – Ентер – и браузер откроет файл на которую вы получили ссылку..
…..
В браузере, в адресной строке удалить адрес, который там стоял и вставить скопированный адрес ссылки.
Щелкнуть по ссылке – подтвердить « Посетить ». На странице Яндекс диска нажать
« Скачать » – « Сохранить ».
Затем – Показать ход загрузки. Браузер пишет « Обычно такие файлы не скачиваем ». Щелкаем правой клавишей мыши – командуем « Разрешить загрузку ». Файл загружается в стандартную папку « Загрузки ».
Для контроля проверить размер файла и CRC32.. Затем распаковать в свою папку.
Расчет CRC32 по программе HashTab_v6.0.0.34 …https://hashtab.ru/…
## Рабочие чертежи и таблицы можно скачать по ссылкам …..
https://disk.yandex.ru/d/4sXjPNEdJPDhGg .. Ссылка на чертежи Гп_Станка.
Объем = 877 543 255… CRC 32 = 63E6CABA..
Ссылка название: В ссылку https://disk.yandex.ru/d/uQmbqjQYO6oUlQ
CRC 32 = DD934181… Объем -= 324 822 673…
…
Ссылка Studenty.zip : https://disk.yandex.ru/d/orKSVHysYSMK0Q
Studenty.zip : CRC 32 = 77d05e10… Объем -= 77,916,434....
……..
Ссылка Студенту.zip : https://disk.yandex.ru/d/Rbo3M49TP3xMdg
Студенту.zip: CRC 32 = E76A2853… Объем -= 152458350…
,,,
Особенности гидросхемы:
Гидрозамок на сливе из главного цилиндра обеспечивает максимально свободный проход масла при быстрых ходах, и герметично запирает слив при рабочих подачах.
Рабочие подачи реализованы включением регуляторов расхода с дросселями в линию слива главного цилиндра. Дросселя включены параллельно и выбор рабочего дросселя определяется гидрозолотником Y6. Такое включение дросселей обеспечивает подпор на сливе главного цилиндра при рабочей подаче, что исключает рывки при случайном изменении силы резания при обработке детали.
Разгрузка насоса быстрых ходов обеспечивается золотником Р-1 при включении соленоида Y2. Можно было бы просто на предохранительный клапан быстрых ходов поставить разгрузочный золотник, но при грязном масле в цехе этот вариант давал бы частые сбои в работе. Так как разгрузочный золотник миниатюрного исполнения и на загрязненном масле заклинивается.
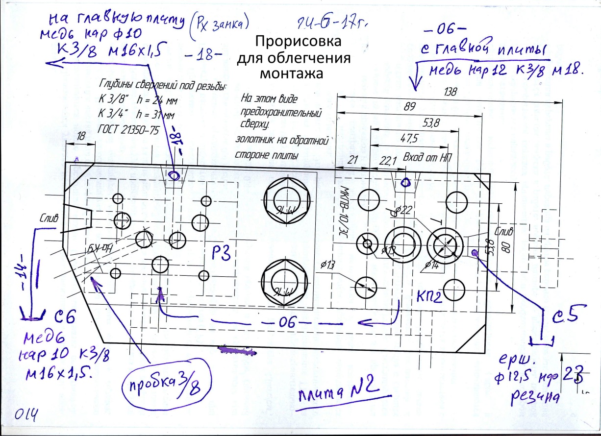
Разрабатываем основную плиту:
Начинаем с компоновки элементов на плите с учетом прохода масляных каналов.
Перед разработкой очень желательно получить все гидроэлементы в натуре. Часто бывают разные отклонения не указанные в справочнике..
,,,
На рабочем чертеже плиты мной написано – после механической обработки вызвать конструктора для проверки правильности каналов и отверстий. Мной были заготовлены бумажные шаблоны, строго в масштабе 1:1, и схемы соединения отверстий и каналов.
Меня вызвали и я все проверял.
Основная гидроплита.
,,,, ##
https://disk.yandex.ru/d/4sXjPNEdJPDhGg .. Ссылка на чертежи Гп_Станка.
Объем = 877 543 255… CRC 32 = 63E6CABA..
Не смущайтесь, что на чертежах в книге нельзя разобрать ни одного размера –
Все чертежи схемы и таблицы Вы можете скачать по ссылке на яндекс диске –
там четко видны все размеры.

,,,
Определив координаты входных, сливных и прочих отверстий прорисовываем масляные каналы, соединительные отверстия и крепежные отверстия. Следим, чтобы между каналами и отверстиями были перемычки не менее трех мм. Иначе небольшая ошибка и они соединятся не там , где надо – плита пойдет в брак – обычно это уже не исправить.
Прорисовка дело трудоемкое – приходится делать много вариантов пока не получится более менее удачный вариант. Поэтому чертеж гидроплиты весьма ценен.
Gsf = 461030/2725231222…|
Привожу рабочий чертеж плиты.
,,,,

,,,
Далее идут технологические чертежи по контролю и заварке каналов и технологических отверстий, по защите поверхностей от окалины и по нарезанию резьбы. Все эти чертежи приведены в ссылке на яндекс диске.
,,,,
Компоновка дроссельной плиты.

На данной плите сложность возникает в определении где у регулятора расхода вход и где выход.
При ошибке дросселя нормально работать не будут..
,,,,

,,,,
Компоновка плиты предохранительного клапана насоса подач и золотника включения гидрозамка.
Плита гидрозамка.

,,,,

Овальные крепежные отверстия выполнены из за разных внешних габаритов предохранительных клапанов выпускаемых разными заводами.
,,,,
Здесь видно как гидропанель смотрится в сборе.
Гидропанель в сборе.

,,,,
Вид на гидропанель сзади.

,,,,,
Вид на гидропанель впереди ..

,,,,
Отдельные панели гидравлически соединяются между собой медными трубками, сливные линии выполнены резиновыми рукавами низкого давления и спущены прямо в гидробак.
Чтоб не перепутать – куда что идет выполнил рабочие схемы:
Монтажные схемы.

Здесь видна трассировка сверлений, каналов и отверстий гидроаппаратов.
Видно какие рукава и трубки подходят к каким отверстиям и на какие штуцера.
Все сливные трубки выполнены резиновыми рукавами и уходят прямо в гидробак.
При повторении лучше сделать стойку изтрубы Ду 80 – в стойку вварить штуцера- ерши.
Стойка уходит в гидробак – не доходя до дна примерно сто мм. Резиновые рукава соединяют гидроплиту со стойкой. На уровне крышки гидробака на стойку приварен фланец, с помощью которого стойка крепится на гидробаке. Резиновые рукава слива очень удобны при поиске неисправностей – слегка зажимая рукав рукой – сразу чувствуешь момент начала слива масла по рукаву.
,,,,,,

,,,,,

,,,,,
Монтажная схема для руководства.
Общая монтажная схема.

,,,,
Все собрали и с трудом запустили – было много брака среди покупных гидроаппаратов.



