
Полная версия:
Как сделать двигатель лучше. Новые поршневые кольца

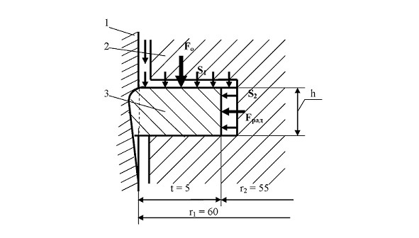
Рис. 1. Газодинамическая схема работы компрессионного кольца двигателя КАМАЗ
1 – цилиндр; 2 – поршень; 3 – поршневое кольцо
Площадь верхнего торца определяется по формуле:
S1 = π (r12 – r22) = 3,14 (4,12 – 3,82) = 3,14 (16,81 – 14,44) = 7,44 см2.
Площадь внутренней вертикальной поверхности определяется по формуле: S2 = 2 πr2h = 6,28×3,8×0,15 = 3,58 см2.
Умножив давление рабочих газов на величины площадей, получим:
Fо = Рраб × S1 = 80 ×7,44 = 595,2 кгс (5,95кН);
Fрад = Рраб × S2 = 80 ×3,58 = 286,4 кгс (2,86 кН).
Из сравнения этих двух газодинамических сил, действующих на подвижное поршневое кольцо вывод очевиден. Двукратно превосходящая осевая сила, надежно придавила поршневое кольцо к нижней полке поршневой канавки, лишив возможности радиальной силе прижать рабочую поверхность поршневого кольца к стенке цилиндра.
Что очень важно отметить в данном случае. Такая закономерность соблюдается во всех случаях, когда над поршнем появляется, имеется избыточное давление. Об этом и не только, рассмотрим на различных тактах рабочего цикла двигателя, но уже сейчас, забегая вперед, можно смело предсказать:
Газодинамическая схема принципиально изменила стратегию и тактику, теорию и практику проектирования двигателей внутреннего сгорания и поршневых компрессоров. При правильном ее применении в расчетах она оптимизирует размеры, форму и содержание двигателя и компрессора, существенным образом отражается на увеличении коэффициентов полезного действия того и другого.
Все обоснования приведены в работах автора и в данном учебном пособии. На момент написания этого пособия прошло более 12-ти лет после опубликования объективного факта недееспособности поршневого уплотнения. Информация опубликована и запатентована, доведена до сведения ученых и специалистов – мотористов, тем не менее, производители продолжают «производить» супер современные авто, оснащенные двигателями, имеющими столь существенные дефекты. Попробуем еще раз, более подробно изложить не столь сложное для понимания, но очень важное для специалистов решение проблемы повышения эффективности двигателей внутреннего сгорания.
§2. Газодинамика на различных тактах рабочего цикла двигателя
Конец ознакомительного фрагмента.
Текст предоставлен ООО «ЛитРес».
Прочитайте эту книгу целиком, купив полную легальную версию на ЛитРес.
Безопасно оплатить книгу можно банковской картой Visa, MasterCard, Maestro, со счета мобильного телефона, с платежного терминала, в салоне МТС или Связной, через PayPal, WebMoney, Яндекс.Деньги, QIWI Кошелек, бонусными картами или другим удобным Вам способом.
Вы ознакомились с фрагментом книги.
Для бесплатного чтения открыта только часть текста.
Приобретайте полный текст книги у нашего партнера:
Полная версия книги
Всего 10 форматов



