
Полная версия:
Гипотеза о том, как решается задача про автомобиль Николы Теслы

Андрей Порубов
Гипотеза о том, как решается задача про автомобиль Николы Теслы
Задача получения напряжения и тока от колебания электронов в атомах всей Земли.
Этот текст состоит из следующих разделов:
1) Общая идея.
2) Теоретические расчёты.
3) Экспериментальные расчёты.
4) Некоторые следствия, если получить окончательное решение этой задачи.
5) Чего мне бы хотелось.
6) Немного об эфире.
7) Автомобиль Николы Теслы.
8) Рассказ племянника Николы Теслы.
9) Нерешённые вопросы.
10) Как решить эту задачу.
Общая идея.
Рисунок 1. Атом водорода и эфир.
Предположим, что существует эфир. Смотри рисунок 1. Эфир это – это всепроникающая среда, колебания которой проявляют себя, как электромагнитные волны. Или другими словами эфир – это среда, которая пронизывает все вокруг и если звук передается через воздух, то подобно этому свет передается через эфир. Вся наша Земля пронизана эфиром и все пространство состоит из эфира. Одна частичка эфира называется амером.
Представьте нашу Землю и все атомы из которых она состоит. Вокруг каждого атома вращаются электроны. Это суммарное вращение электронов порождает колебания эфира с частотой равной частоте колебания электрона вокруг ядра в атоме.
В своей математической модели я допустил, что вся Земля состоит из атомов водорода, с одним вращающимся электроном.
Частота обращения электрона вокруг ядра в атоме водорода равна следовательно, эфир колеблется с такой же частотой. Это колоссальный источник энергии. Напряжение, развиваемое электроном в атоме водорода приближённо равно .
Эта частота слишком большая, поэтому всё, что её воспринимает – стоит на месте, но отклонение всё-таки есть хоть и очень маленькое.
Вот сравнение. На рисунке 2 вы видите шар, закреплённый между двух пружин, который связан с вращающимся колесом. При высокой частоте вращения колеса – шар "стоит на месте", вследствие своей инертности (но небольшое отклонение есть). На втором рисунке вы видите график это показывающий. Лишь при некотором , в системе наступает резонанс или система получает 100%ное поступление энергии от колеса к шару и амплитуда колебаний шара – максимальна. Так и с эфиром, если удастся снизить частоту колебания эфира до определённой частоты, то можно использовать энергию эфира. Или энергию вращения электронов в атомах всей Земли.


Рисунок 2. Рисунок 3.
Откуда все это пошло. Есть в интернете описание эксперимента которое провел Никола Тесла. В конце этого файла полное описание, а здесь ключевые моменты описания: «Всем известен автомобиль Николы Теслы. Вместо стандартного двигателя внутреннего сгорания в этом автомобиле был электродвигатель в 80 л.с. на 1800 об/мин. Известно, что в местном радиомагазине Тесла купил 12 электронных ламп, немного проводов, горстку разномастных резисторов и собрав все это хозяйство в коробочку длиной 60 см, шириной 30 см и высотой 15 см, с парой торчащих снаружи стержней, длиной 7,5 см. С помощью этой коробочки Тесла и разъезжал на своем электромобиле неделю. От двигателя тащились два очень толстых кабеля, которые соединялись с приборной панелью. Кроме того, имелась аккумуляторная батарея – обычная на 12 вольт. По поводу источника энергии он упоминал «таинственное излучение, которое исходит из эфира»».
Вот предположение или гипотеза, как должна работать схема, которая использует энергию колебания эфира. Эфир колеблется. Его колебания передаются на антенны. Далее колебания с антенны передаются на колебания облака электронов на катоде первого триода. Далее резистор снижает колебания. Т.е. частота колебаний электронов на втором триоде меньше чем на первом. И так частота снижается при помощи резисторов до 12го триода. На выходе устройства идут два проводника. Сечение проводника и длина проводника выбраны не случайно. Они соответствуют мощности потребителя, например мотора. Эти проводники имеют собственную частоту колебания. Собственная частота колебания проводников складывается из всех электронов, что есть в проводниках. Именно эти свободные электроны и являются той электродвижущей силой, что заставляют работать мотор. И частота колебания эфира снижена до собственной частоты колебания проводников. Чтобы был резонанс. Все триоды питаются от обычного машинного аккумулятора на 12 вольт. Смотри рисунок 4.

Рисунок 4. Предположение как работает схема.
Ещё раз объяснение как работает схема: в двух антеннах (вторая не нарисована, она крепиться к сетке первого триода) воспринимаются колебания эфира. Далее эти колебания передаются на облако электронов первого триода и это на графике резонанса соответствует отклонению этих электронов от положения равновесия равное "1 откл.". Далее 1 резистор снижает эти колебания. Частота колебаний электронов уменьшается, и на катоде второго триода электроны уже отклоняются как "2 откл.". Так от каскада к каскаду снижается частота колебания эфира и возрастает отклонение электронов от положения равновесия. Два провода на выходе устройства имеют собственную частоту колебания Частота колебания эфира снижена до этой частоты И следовательно провода настроены в резонанс со сниженными колебаниями эфира. Происходит 100%ая передача энергии от эфира. Электроны в проводах колеблются с максимальной амплитудой генерируя напряжение в 170 В. А ток в этих проводах зависит от размеров самих проводов. Больше провод, больше ток. Меньше провод, меньше ток. Мощность потребителя рассчитывается на мощность, которую могут вырабатывать провода. На схеме не показано как питаются триоды. Их питает обычный машинный аккумулятор на 12 вольт. Триоды питаются по схеме как показано на рисунке 5.

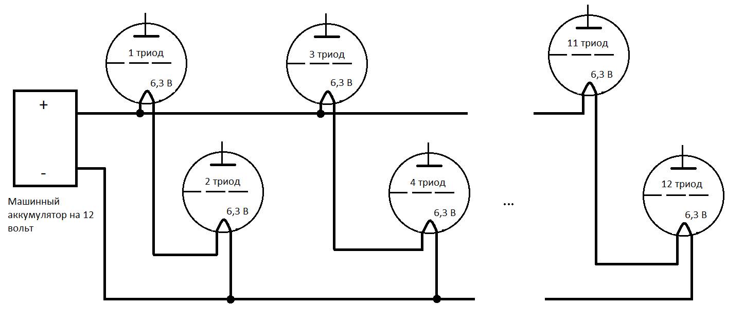
Рисунок 5. Схема подключения триодов к аккумулятору.
Триоды соединены параллельно по две штуки. На каждом триоде напряжение 6,3 вольта.
Теоретические расчёты.
1. Циклическая частота обращения электрона вокруг ядра атома водорода:
Для расчёта частоты я использовал модель атома водорода, она на рисунке 6.

Рисунок 6.
Чтобы найти частоту обращения электрона вокруг ядра атома водорода используем следующее:
а) Протон взаимодействует с электроном с силой Кулона, она определяется по формуле:
.
б) Как известно из второго закона Ньютона та же сила равна массе электрона умноженного на его ускорение:
в) Центростремительное ускорение, что испытывает электрон под воздействием силы Кулона к ядру, определяется по формуле:
г) Скорость движения электрона зависит от частоты и находиться по формуле: .
Итак, частоту выразим из формулы под буквой "г)": .
Конец ознакомительного фрагмента.
Текст предоставлен ООО «Литрес».
Прочитайте эту книгу целиком, купив полную легальную версию на Литрес.
Безопасно оплатить книгу можно банковской картой Visa, MasterCard, Maestro, со счета мобильного телефона, с платежного терминала, в салоне МТС или Связной, через PayPal, WebMoney, Яндекс.Деньги, QIWI Кошелек, бонусными картами или другим удобным Вам способом.
Вы ознакомились с фрагментом книги.
Для бесплатного чтения открыта только часть текста.
Приобретайте полный текст книги у нашего партнера:
Полная версия книги
Всего 10 форматов



